联系方式
- 冯正明 13961159802
- 0519-88672318
- xygzgc@163.com
- 常州市天宁区郑陆镇三河口常河路360-10号
- 产品详情
- 图片集锦
- 动画演示
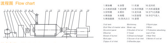
简述:燃料通过燃烧器燃烧,产生高温燃气。并借助具有强化换热措施的热风炉
类别:热源设备系列
原理:
燃料通过燃烧器燃烧,产生高温燃气。并借助具有强化换热措施的热风炉将高温燃气的热量传导给被加热的空气,高温燃气经热量散发后温度降低至250℃后排到大气中。需加热的空气通过选配的鼓风机强送入热风炉,吸热后温度升至额定值从热风出口处送出,当热风温度达到额定温度上限时,燃烧器会自动停止燃烧或自动转为小火焰燃烧,当热风温度降低到额定下限温度时,燃烧器又会重新点燃运行或转为大火燃烧,升温的速度可以调节进风阀的开度来实现。
特点:
广泛应用于制药、化工、食品、纺织印染、粮食加工、木材加工、汽车等工业领域各种产品的干燥、固化、热定型等作业。

技术参数:
型号/参数 | 输出热量(KJ/h) | 输出风量(m3/h) | 输出温度(℃) | 耗油量(kg/h) | 燃烧器型号 |
RLY-2.5 | 1.045×105 | 1500-560 | 60-200 | 4-5 | M4 |
RLY-4 | 1.672×105 | 3500-930 | 60-200 | 6-7 | M8 |
RLY-8 | 3.344×105 | 5600-1480 | 60-200 | 11.5-13.5 | M12 |
RLY-15 | 6.270×105 | 12000-2160 | 60-250 | 21.5-25 | M20 |
RLY-30 | 12.54×105 | 25000-4330 | 60-250 | 43-50 | MP3B |
RLY-40 | 16.72×105 | 28000-5600 | 60-250 | 57-67 | MP4B |
RLY-60 | 25.08×105 | 45000-8660 | 60-250 | 86-100 | MP80AB |
RLYL-80 | 33.44×105 | 83000-12500 | 60-350 | 114-135 | MP130AB |
RLY-160 | 66.88×105 | 134400-23000 | 60-350 | 228-270 | MP200AB |
RLY-200 | 83.60×105 | 170000-28000 | 60-350 | 286-334 | MP300AB |
注:1、输出温度指输入温度在20℃时的温升值。
2、油的燃烧值按4800KJ/kg计算。
- 返回上一页
- 上一篇:没有了!
- 下一篇:JRF系列燃煤热风炉
干燥设备是众多工业必不可少的加工设备
25.01.18农作物干燥机替代传统的干燥方式
25.01.18干燥设备结合化成行业进程新偏向
24.08.20专家浅析中国旋转闪蒸干燥机市场将迎新趋势
24.08.20超细粉干燥机与旋转闪蒸干燥机的比较和区别
24.08.20净化热风循环烘箱的工作原理
24.08.20喷雾干燥是系统化技术应用于物料干燥的一种方法。有···
24.08.20“微波干燥”技术在食品工业中的应用(1)
24.08.20概述烘干机废气除尘技术的应用
24.08.20粮食干燥设备的降耗方法
24.08.20












